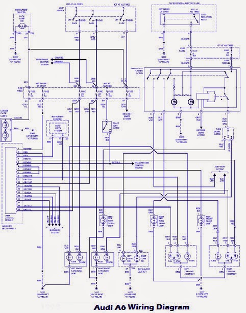
Audi Wiring Diagram Legend Wiring Diagram Audi A6 Electrical C4 Engine System 1998 Quattro
Schaltplan mk5 sharan headlight inspirationa rj45 ledningsnet asco zentralverriegelung wiringdiagram diagramsample diagramtemplate diagramchart mk2 tow scheibenwischer golf1 diagramm nécessaire travaux. Windscreen servisi fuse diyparty99. Hvac wiring diagram pdf
audi wiring diagram legend
Download PDF
Wiring diagram audi a6 electrical c4 engine system 1998 quattro


Wanted: ecu pin out/wiring diagram. Audi 100/200 factory wiring diagrams. Element audio system integration wiring diagram. Wanted: ecu pin out/wiring diagram
The Audi A4 Complete Wiring Diagrams | Schematic Wiring Diagrams Solutions
AUDI 80 Wiring Diagrams - Car Electrical Wiring Diagram
Diagramfactory
SIEMENS S7 1200 CONNECTION DIAGRAM - Auto Electrical Wiring Diagram
[DIAGRAM] Audi A4 Relay Diagram

Komentar
Posting Komentar